Account: R0158601
April 5, 2026
| Account | Parcel | Account Type | Tax Year | Buildings | Actual Value | Local Govt Assessed Value | School Assessed Value |
|---|---|---|---|---|---|---|---|
| R0158601 | 147136444033 | Residential | 2026 | 1 | 418,306 | 26,140 | 29,490 |
| Legal |
|---|
| LOC 3HP L33 BLK1 HIGHPLAINS FG #3 |
| Subdivision | Block | Lot | Land Economic Area |
|---|---|---|---|
| HIGHPLAINS FG#3 | 1 | 33 | HIGHPLAINS |
| Property Address | Property City | Section | Township | Range |
|---|---|---|---|---|
| 68 STAMPEDE WAY | LOCHBUIE | 36 | 01 | 66 |
| Account | Parcel | Account Type | Tax Year | Buildings | Actual Value | Local Govt Assessed Value | School Assessed Value |
|---|---|---|---|---|---|---|---|
| R0158601 | 147136444033 | Residential | 2026 | 1 | 418,306 | 26,140 | 29,490 |
| Account | Owner Name | Address |
|---|---|---|
| R0158601 | WILSON RONALD L | 68 STAMPEDE WAY LOCHBUIE, CO 806035904 |
| R0158601 | KAVADAS-WILSON SHARON L |
| Account | Parcel | Account Type | Tax Year | Buildings | Actual Value | Local Govt Assessed Value | School Assessed Value |
|---|---|---|---|---|---|---|---|
| R0158601 | 147136444033 | Residential | 2026 | 1 | 418,306 | 26,140 | 29,490 |
| Reception | Rec Date | Type | Grantor | Grantee | Doc Fee | Sale Date | Sale Price |
|---|---|---|---|---|---|---|---|
| 2805351 | NA | SUB | SUBDIVISION | HIGHPLAINS FG #3 | 0.00 | NA | 0 |
| 2811741 | 12-07-2000 | BSD | SATURN DEVELOPMENT CORP | WELD & THIRD ASSOCIATES | 12.59 | 12-06-2000 | 125,900 |
| 2847549 | 05-10-2001 | SWD | WELD AND THIRD ASSOCIATES, LLP | GALAXY LAND COMPANY, LLC | 154.46 | 05-01-2001 | 1,544,544 |
| 3140256 | 12-30-2003 | SWD | GALAXY LAND CO LLC | LAMBERT ESTATES LLC | 66.30 | 12-01-2003 | 663,000 |
| 3226520 | 10-11-2004 | SWD | LAMBERT ESTATES LLC | WILSON RONALD L & | 17.22 | 09-28-2004 | 172,200 |
*If the hyperlink for the reception number does not work, try a manual search in the Clerk and Recorder records. Use the Grantor or Grantee in your search.
| Account | Parcel | Account Type | Tax Year | Buildings | Actual Value | Local Govt Assessed Value | School Assessed Value |
|---|---|---|---|---|---|---|---|
| R0158601 | 147136444033 | Residential | 2026 | 1 | 418,306 | 26,140 | 29,490 |
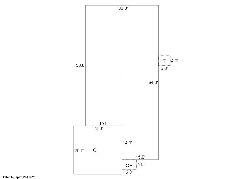
Building 1
| AccountNo | Building ID | Occupancy |
|---|---|---|
| R0158601 | 1 | Single Family Residential |
| ID | Type | NBHD | Occupancy | % Complete | Bedrooms | Baths |
|---|---|---|---|---|---|---|
| 1 | Manufactured Hm | 4L0001 | Single Family Residential | 100 | 3 | 2.00 |
| ID | Exterior | Roof Cover | Interior | HVAC | Perimeter | Units | Unit Type | Make |
|---|---|---|---|---|---|---|---|---|
| 1 | Hardboard Sheet | Shingle Comp | Drywall | Forced Air | 0 | 0 | NA | NA |
| ID | Square Ft | Condo SF | Total Basement SF | Finished Basement SF | Garage SF | Carport SF | Balcony SF | Porch SF |
|---|---|---|---|---|---|---|---|---|
| 1 | 1,710 | 0 | 0 | 0 | 400 | 0 | 0 | 20 |
| ID | Built As | Square Ft | Year Built | Stories | Length | Width |
|---|---|---|---|---|---|---|
| 1.00 | Mnfctrd Home 1 Story | 1,710 | 2004 | 1 | 50 | 30 |
| ID | Detail Type | Description | Units |
|---|---|---|---|
| 1 | Fixture | Full Bath | 2.00 |
| 1 | Garage | Attached | 400.00 |
| 1 | Porch | Open Slab | 20.00 |
| 1 | Porch | Slab Roof Ceil | 24.00 |
| Account | Parcel | Account Type | Tax Year | Buildings | Actual Value | Local Govt Assessed Value | School Assessed Value |
|---|---|---|---|---|---|---|---|
| R0158601 | 147136444033 | Residential | 2026 | 1 | 418,306 | 26,140 | 29,490 |
| Type | Code | Description | Actual Value | Local Govt Assessed Value | School Assessed Value | Acres | Land SqFt |
|---|---|---|---|---|---|---|---|
| Improvement | 1212 | SINGLE FAMILY RESIDENTIAL IMPROVEMENTS | 318,306 | 19,890 | 22,440 | 0.000 | 0 |
| Land | 1112 | SINGLE FAMILY RESIDENTIAL-LAND | 100,000 | 6,250 | 7,050 | 0.135 | 5,900 |
| Totals | - | - | 418,306 | 26,140 | 29,490 | 0.135 | 5,900 |
Comparable sales for your Residential or Commercial property may be found using our SALES SEARCH TOOL
Values are updated annually on May 1st for Real Property and June 15th for Personal Property and Oil and Gas.
| Account | Parcel | Account Type | Tax Year | Buildings | Actual Value | Local Govt Assessed Value | School Assessed Value |
|---|---|---|---|---|---|---|---|
| R0158601 | 147136444033 | Residential | 2026 | 1 | 418,306 | 26,140 | 29,490 |
| Tax Area | District ID | District Name | Local Govt Mill Levy |
School Mill Levy |
Estimated Taxes |
|---|---|---|---|---|---|
| 0318 | 0700 | AIMS JUNIOR COLLEGE | 6.313 | 0.000 | $165.02 |
| 0318 | 0302 | CENTRAL COLORADO WATER (CCW) | 0.980 | 0.000 | $25.62 |
| 0318 | 0309 | CENTRAL COLORADO WATER SUBDISTRICT (CCS) | 1.462 | 0.000 | $38.22 |
| 0318 | 1050 | HIGH PLAINS LIBRARY | 3.044 | 0.000 | $79.57 |
| 0318 | 0509 | HUDSON FIRE | 12.237 | 0.000 | $319.88 |
| 0318 | 0419 | LOCHBUIE TOWN | 6.443 | 0.000 | $168.42 |
| 0318 | 0203 | SCHOOL DIST RE3J-KEENESBURG | 0.000 | 15.822 | $466.59 |
| 0318 | 0100 | WELD COUNTY | 15.956 | 0.000 | $417.09 |
| Total | - | - | 46.435 | 15.822 | $1,680.40 |
The estimate of tax is based on the prior year mill levy and the 2025 projected assessment rates. Mill levies and tax estimates will be updated yearly on December 22nd for the current year. Additional information can be found at https://assessor.weld.gov



