Account: R8948140
April 1, 2026
| Account | Parcel | Account Type | Tax Year | Buildings | Actual Value | Local Govt Assessed Value | School Assessed Value |
|---|---|---|---|---|---|---|---|
| R8948140 | 130515300015 | Agricultural | 2026 | 1 | 607,019 | 38,080 | 42,920 |
| Legal |
|---|
| PT N2 SW4 15-2-64 LOT B REC EXEMPT RECX16-0106 |
| Subdivision | Block | Lot | Land Economic Area |
|---|---|---|---|
| ECON 5 RURAL |
| Property Address | Property City | Section | Township | Range |
|---|---|---|---|---|
| 9264 COUNTY ROAD 55 | 15 | 02 | 64 |
| Account | Parcel | Account Type | Tax Year | Buildings | Actual Value | Local Govt Assessed Value | School Assessed Value |
|---|---|---|---|---|---|---|---|
| R8948140 | 130515300015 | Agricultural | 2026 | 1 | 607,019 | 38,080 | 42,920 |
| Account | Owner Name | Address |
|---|---|---|
| R8948140 | RABIDEAU MICHAEL A | 9264 COUNTY ROAD 55 KEENESBURG, CO 806439630 |
| Account | Parcel | Account Type | Tax Year | Buildings | Actual Value | Local Govt Assessed Value | School Assessed Value |
|---|---|---|---|---|---|---|---|
| R8948140 | 130515300015 | Agricultural | 2026 | 1 | 607,019 | 38,080 | 42,920 |
| Reception | Rec Date | Type | Grantor | Grantee | Doc Fee | Sale Date | Sale Price |
|---|---|---|---|---|---|---|---|
| 09-08-1999 | USR | USE BY SPECIAL REVIEW | USR-1236 POWER LINES 230/345 KV | 0.00 | NA | 0 | |
| 4284309 | 03-08-2017 | RE | RECX16-0106 | RECX16-0106 | 0.00 | 03-08-2017 | 0 |
| 4284309 | 03-08-2017 | RE | RECORDED EXEMPTION | RECX16-0106 | 0.00 | NA | 0 |
| 4298785 | 05-02-2017 | WD | SCENA DAWN M | RABIDEAU MICHAEL A | 60.00 | 04-28-2017 | 600,000 |
*If the hyperlink for the reception number does not work, try a manual search in the Clerk and Recorder records. Use the Grantor or Grantee in your search.
| Account | Parcel | Account Type | Tax Year | Buildings | Actual Value | Local Govt Assessed Value | School Assessed Value |
|---|---|---|---|---|---|---|---|
| R8948140 | 130515300015 | Agricultural | 2026 | 1 | 607,019 | 38,080 | 42,920 |
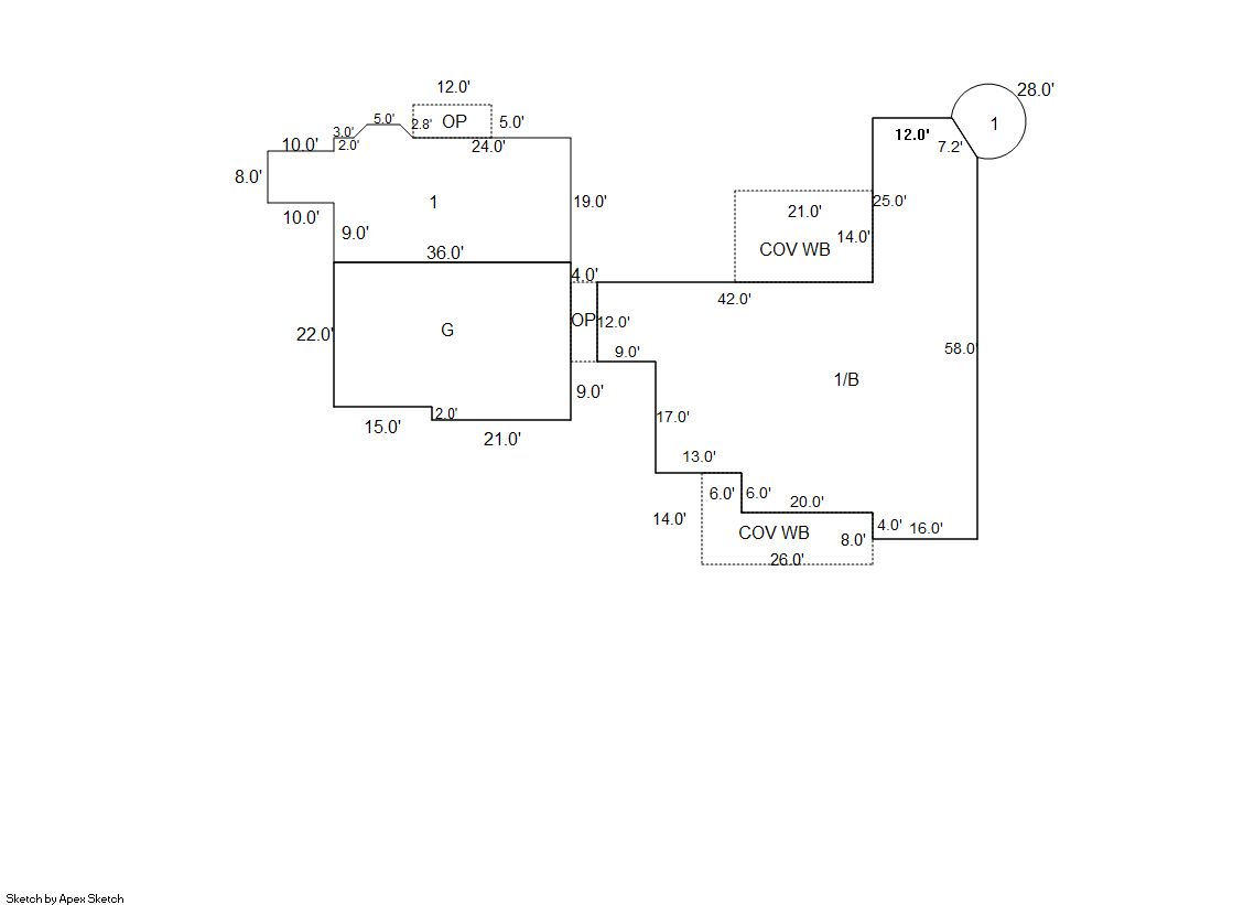
Building 1
| AccountNo | Building ID | Occupancy |
|---|---|---|
| R8948140 | 1 | Single Family Residential on Ag |
| ID | Type | NBHD | Occupancy | % Complete | Bedrooms | Baths |
|---|---|---|---|---|---|---|
| 1 | Residential | 5R0006 | Single Family Residential on Ag | 100 | 5 | 4.00 |
| ID | Exterior | Roof Cover | Interior | HVAC | Perimeter | Units | Unit Type | Make |
|---|---|---|---|---|---|---|---|---|
| 1 | Frame Stucco | Composition Shingle | Drywall | Central Air to Air | 408 | 0 | NA | NA |
| ID | Square Ft | Condo SF | Total Basement SF | Finished Basement SF | Garage SF | Carport SF | Balcony SF | Porch SF |
|---|---|---|---|---|---|---|---|---|
| 1 | 3,070 | 0 | 2,197 | 0 | 834 | 0 | 538 | 108 |
| ID | Built As | Square Ft | Year Built | Stories | Length | Width |
|---|---|---|---|---|---|---|
| 1.00 | Ranch 1 Story | 3,070 | 2003 | 1 | 0 | 0 |
| ID | Detail Type | Description | Units |
|---|---|---|---|
| 1 | Add On | Fireplace Gas | 1.00 |
| 1 | Balcony | Cover Wood Balc | 538.00 |
| 1 | Basement | Total Basement SF | 2197.00 |
| 1 | Fixture | Full Bath | 2.00 |
| 1 | Fixture | Half Bath | 1.00 |
| 1 | Garage | Attached | 834.00 |
| 1 | Porch | Slab Roof Ceil | 108.00 |
| Account | Parcel | Account Type | Tax Year | Buildings | Actual Value | Local Govt Assessed Value | School Assessed Value |
|---|---|---|---|---|---|---|---|
| R8948140 | 130515300015 | Agricultural | 2026 | 1 | 607,019 | 38,080 | 42,920 |
| Type | Code | Description | Actual Value | Local Govt Assessed Value | School Assessed Value | Acres | Land SqFt |
|---|---|---|---|---|---|---|---|
| Improvement | 4277 | FARM/RANCH RESIDENCE-IMPS | 606,405 | 37,900 | 42,750 | 0.000 | 0 |
| Land | 4147 | GRAZING LAND-AGRICULTURAL | 612 | 170 | 170 | 24.697 | 1,075,801 |
| Land | 4167 | WASTE LAND | 2 | 10 | 0 | 0.303 | 13,199 |
| Totals | - | - | 607,019 | 38,080 | 42,920 | 25.000 | 1,089,000 |
Comparable sales for your Residential or Commercial property may be found using our SALES SEARCH TOOL
Values are updated annually on May 1st for Real Property and June 15th for Personal Property and Oil and Gas.
| Account | Parcel | Account Type | Tax Year | Buildings | Actual Value | Local Govt Assessed Value | School Assessed Value |
|---|---|---|---|---|---|---|---|
| R8948140 | 130515300015 | Agricultural | 2026 | 1 | 607,019 | 38,080 | 42,920 |
| Tax Area | District ID | District Name | Local Govt Mill Levy |
School Mill Levy |
Estimated Taxes |
|---|---|---|---|---|---|
| 2445 | 0700 | AIMS JUNIOR COLLEGE | 6.313 | 0.000 | $240.40 |
| 2445 | 0302 | CENTRAL COLORADO WATER (CCW) | 0.980 | 0.000 | $37.32 |
| 2445 | 1050 | HIGH PLAINS LIBRARY | 3.044 | 0.000 | $115.92 |
| 2445 | 0518 | S. E. WELD FIRE | 10.470 | 0.000 | $398.70 |
| 2445 | 0203 | SCHOOL DIST RE3J-KEENESBURG | 0.000 | 15.822 | $679.08 |
| 2445 | 1208 | SOUTHEAST WELD CONSERVATION | 0.000 | 0.000 | $0.00 |
| 2445 | 0100 | WELD COUNTY | 15.956 | 0.000 | $607.60 |
| Total | - | - | 36.763 | 15.822 | $2,079.02 |
The estimate of tax is based on the prior year mill levy and the 2025 projected assessment rates. Mill levies and tax estimates will be updated yearly on December 22nd for the current year. Additional information can be found at https://assessor.weld.gov


